一、實訓目的
1、掌握用日光燈法測轉差率的方法。
2、掌握測異步電機繞組的冷態電阻的方法。
二、預習要點
用日光燈法測轉差率是利用了日光燈的什么特性?
三、實訓項目
1、測定電機的轉差率。
2、測量定子繞組的冷態電阻。
3、判定定子繞組的首末端。
四、實訓方法
1、 實訓設備
| 序 號 | 型 號 | 名 稱 | 數 量 |
| 1 | DQ03-1 | 導軌、光電測速系統及轉速表 | 1件 |
| 2 | DQ19 | 校正過的直流電機 | 1臺 |
| 3 | DQ10 | 三相鼠籠異步電動機 | 1臺 |
| 4 | GDQ25 | 交流參數表 | 1件 |
| 5 | DQ22 | 直流數字電壓、毫安、安培表 | 1件 |
| 6 | DQ27 | 三相可調電阻器 | 1件 |
| 7 | DQ31C | 熔斷器及開關板 | 1件 |
2、屏上掛件排列順序
GDQ25、DQ22、DQ31C 、DQ27
3、用日光燈法測定轉差率*(選作)
日光燈是一種閃光燈,當接到50Hz電源上時,燈光每秒閃亮100次,人的視覺暫留時間約為0.1S左右,故用肉眼觀察時日光燈是一直發亮的,我們就利用日光燈這一特性來測量電機的轉差率。
(1)異步電機選用編號為DQ10的三相鼠籠異步電動機(UN=220V,Δ接法)極數2P=4。直接與光電測速系統同軸聯接,在DQ10和光電測速系統聯軸器上用黑膠布包一圈,再用四張白紙條(寬度約為3毫米),均勻地貼在黑膠布上。
(3)按下啟動按鈕,接通交流電源。打開日光燈,調節控制屏左側調壓器升高電動機電壓,觀察電動機轉向,如轉向不對應停機調整相序。轉向正確后,升壓至220V,使電機起動運轉,記錄此時電機轉速。
(4)因三相異步電機轉速總是低于同步轉速,故燈光每閃亮一次圖案逆電機旋轉方向落后一個角度,用肉眼觀察圖案逆電機旋轉方向緩慢移動。
(5)按住控制屏報警記錄儀“復位”鍵,手松開之后開始觀察圖案后移的個數,計數時間可定的短一些(一般取30秒)。將觀察到的數據記錄于表3-1中。
(6)停機。將調壓器調至零位,關斷電源開關。
表3-1
| N(轉) | t(秒) | S(轉差率) | n(轉/分) |

式中 t為計數時間,單位為秒。
N為t秒內圖案轉過的圈數。
f為電源頻率,50Hz。
P為電機的極對數。
(7)將計算出的轉差率與實際觀測到的轉速算出的轉差率比較。
4、測量定子繞組的冷態直流電阻。
將電機在室內放置一段時間,用溫度計測量電機繞組端部或鐵心的溫度。當所測溫度與冷卻介質溫度之差不超過2K(約2℃)時,即為實際冷態。記錄此時的溫度和測量定子繞組的直流電阻,此阻值即為冷態直流電阻。
(1) 伏安法
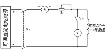
測量線路圖為圖3-1。直流電源用主控屏上電樞電源,可先調到50V輸出電壓。開關S1、S2選用DQ31C上開關(開始時S1、S2處于斷開狀態),R用DQ27掛箱上1800Ω可調電阻。

圖3-1 三相交流繞組電阻測定
量程的選擇:測量時通過的測量電流應小于額定電流的20%,約小于60毫安,因而直流電流表的量程用200mA檔。三相鼠籠式異步電動機定子一相繞組的電阻約為50Ω, 因而當流過的電流為60毫安時二端電壓約為3伏,所以直流電壓表量程用20V檔。
按圖3-1接線。把R調至最大位置,合上開關S1,調節直流電源輸出電壓及R阻值使試驗電流不超過電機額定電流的20%,以防因試驗電流過大而引起繞組的溫度上升,讀取電流值,再接通開關S2讀取電壓值。讀完后,先斷開開關S2,再斷開開關S1。
調節R使A表分別為50mA,40mA,30mA測取三次,取其平均值,測量定子三相繞組的電阻值,記錄于表3-2中。
表3-2 室溫 ℃
| 繞 組 Ⅰ | 繞 組 Ⅱ | 繞 組 Ⅲ | |||||||
| I(mA) | |||||||||
| U(V) | |||||||||
| R(Ω) | |||||||||
1) 在測量時,電動機的轉子須靜止不動。
2) 測量通電時間不應超過1分鐘。
(2) 電橋法(電橋自備)
用單臂電橋測量電阻時,應先將刻度盤旋到電橋大致平衡的位置。然后按下電池按鈕,接通電源,等電橋中的電源達到穩定后,方可按下檢流計按鈕接入檢流計。測量完畢,應先斷開檢流計,再斷開電源,以免檢流計受到沖擊。數據記錄于表3-3中。
電橋法測定繞組直流電阻準確度及靈敏度高,并有直接讀數的優點。
表3-3
| 繞 組 Ⅰ | 繞 組 Ⅱ | 繞 組 Ⅲ | |
| R(Ω) |

(a) (b)
圖3-2 三相交流繞組首末端測定
先用萬用表測出各相繞組的兩個線端,將其中的任意兩相繞組串聯,如圖3-2所示。將控制屏左側調壓器旋鈕調至零位,按下“啟動”按鈕,接通交流電源。調節調壓旋鈕,并在繞組端施以單相低電壓U=80~100V,注意電流不應超過額定值,測出第三相繞組的電壓, 如測得的電壓值有一定讀數,表示另兩相繞組是末端與首端相聯,如圖3-2(a)所示。反之,如測得電壓近似為零,則另兩相繞組是末端與末端(或首端與首端)相聯,如圖3-2(b)所示。用同樣方法測出第三相繞組的首末端。
五、實訓報告
計算基準工作溫度時的相電阻


