一、實驗目的
1、了解差動變壓器的基本結構。
2、掌握差動變壓器及整流電路的工作原理。
3、掌握差動變壓器的調試方法。
二、實驗所用單元
電感式傳感器、電感式傳感器轉換電路板、差動放大器板、直流穩壓電源、數字電壓表、位移臺架。
三、實驗原理及電路
1、差動變壓器由一個初級線圈和兩個次級線圈及一個鐵芯組成,當鐵芯移動時,由于初級線圈和次級線圈之間的互感發生變化使次級線圈的感應電勢產生變化,一個次級線圈的感應電勢增加,另一個則減少,將兩個次級線圈反向串接,就可以引出差值輸出,其輸出電勢反映出鐵芯的位移量。
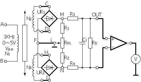
2、差動變壓器實驗電路圖如圖11-1所示。

圖11-1 差動變壓器實驗電路圖
傳感器的兩個次級線圈(N2、N3)電壓分別經UR1、UR2兩組橋式整流電路變換為直流電壓,然后相減,經過差動放大器放大后,由電壓表顯示出來。R1、R2為兩橋臂電阻,RP1為調零電位器,R3、R4、C1組成濾波電路,R5為負載電阻,采用這種差動整流電路可以減少零點殘余電壓。
四、實驗步驟
1、固定好位移臺架,將電感式傳感器置于位移臺架上。調節測微器使其指示15mm左右,將測微器裝入臺架上部的開口處,再將測微器的測桿與電感式傳感器的可動鐵芯旋緊。然后調節兩個滾花螺母,使可動鐵芯上的刻線與傳感器相平,注意要使鐵芯能在傳感器中輕松滑動,再將兩個滾花螺母旋緊。
2、差動放大器調零(參見實驗一)。
3、按圖11-1將信號源的兩輸出端A、B接到傳感器的初級線圈N1上,傳感器次級線圈N2、N3分別接到轉換電路板的C、D與H、I上,并將F與L用導線連接,將差動放大器與數字電壓表連接好。這樣構成差動變壓器實驗電路。
4、接通電源,調節信號源輸出幅度電位器RP1到較大位置,平衡電位器RP2處于中間位置,調節測微器使輸出電壓接近零,然后上移或下移測微器1mm,調節差動放大器增益使輸出電壓的值為300mV左右,再回調測微器使輸出電壓為0mV。此為系統零位,分別上旋和下旋測微器,每次0.5mm,上下各2.5mm,將位移量X和對應的輸出電壓UO記入下表。
表 11-1
| X(mm) | 0 | ||||||||||
| UO(mV) | 0 |
五、實驗報告
1、根據表11-1,畫出輸入/輸出特性曲線,并且計算靈敏度和非線性誤差。
2、分析為什么采用差動整流電路可以減少零點殘余電壓?
實驗十二 傳感器實驗臺自感式差動變壓器的特性實驗
一、實驗目的
1、了解自感式差動變壓器的基本結構。
2、掌握自感式差動變壓器及整流電路的工作原理。
3、掌握自感式差動變壓器的調試方法。
二、實驗所用單元
電感式傳感器、電感式傳感器轉換電路板、差動放大器板、直流穩壓電源、數字電壓表、位移臺架。
三、實驗原理及電路
自感式差動變壓器電路圖如圖12-1所示。

圖12-1 自感式差動變壓器實驗電路圖
傳感器的兩個次級線圈(N2、N3)作為交流電橋的兩個橋臂,R1、R2為另外兩個橋臂,D1、D2、D3、D4組成相敏整流器,A、B之間輸入交流電壓,M、N之間輸出脈動直流電壓,經R3、R4、C1濾波后輸出直流電壓。
四、實驗步驟
1、按實驗十一的步驟1和2進行操作。
2、按圖12-1將信號源的A端接至次級線圈N2、N3的中間連線點,B端接至L,N2上端接E點,N3下端接G點,B與L、J與M、K與N連接,差動放大器與電壓表接線不變,這樣構成自感式差動變壓器實驗電路。
3、按實驗十一的步驟4進行實驗,將實驗結果記入下表。
表 12-1
| X(mm) | 0 | ||||||||||
| UO(mV) | 0 |
五、實驗報告
1、根據表12-1,畫出輸入/輸出特性曲線 ,并且計算靈敏度和非線性誤差。
2、比較差動變壓器和自感式差動變壓器的靈敏度和線性度。


